EN CN
JBSD4430-D24

JBSD4430-D24

用途:

主要用于升降沙发、多功能床等

产品介绍:

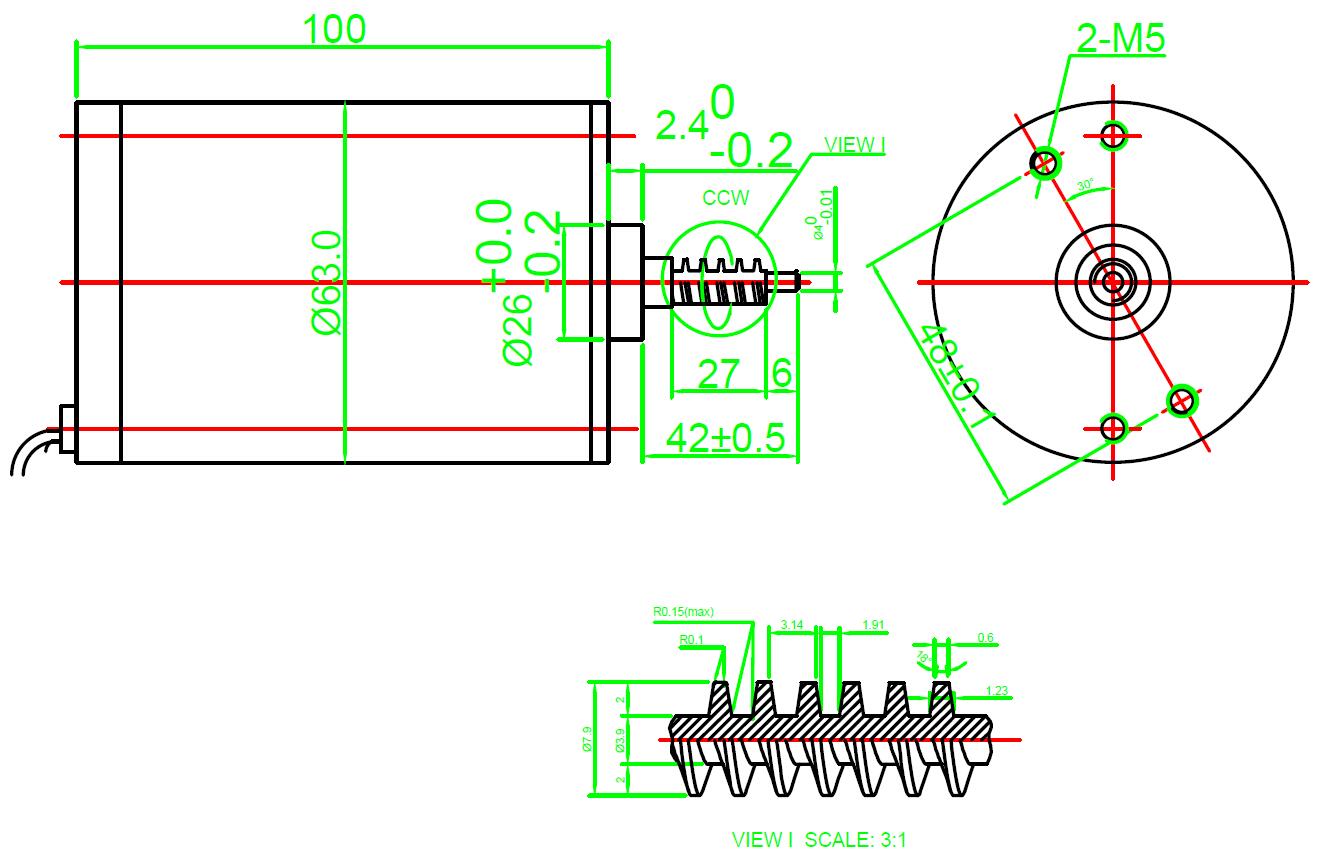
产品详情


 备注:电机性能可以根据客户要求进行设计
Motor voltage, power and speed will be customized according to your request under the allowed circumstance of adoptable  dimension.